PRODUCTS製品情報
ウエハ搬送システム:大気用搬送ロボット
RR759L27

概要
RR759は全軸にアブソリュートエンコーダ付きステッピングモータを搭載したブーメランアーム型ロボットです。アーム軸と旋回軸の同期補間動作によって、走行軸なしで2ポートにアクセスできます。外部にロボット走行軸の追加が可能で、ティーチングポジションを含め、ロボット側からの同時制御が可能です。旋回動作に死角がなく、全方向へアクセスできます。
- 全軸ABS付ステッピングサーボモータを搭載
- 走行軸レスにて2ポートアクセスが可能
- アーム剛性強化により高重量ハンドに対応
- ロボット走行軸の制御が可能
- 旋回死角がなく、全方向へのアクセスが可能
- ロングリーチに対応
- RR759 に関しましては、原則としてシステム製品に組み込んだ状態でのみ販売
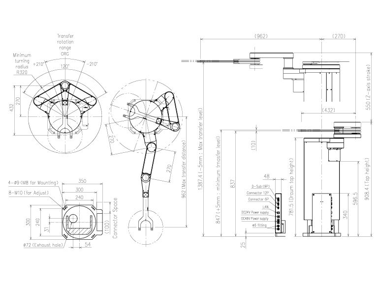
製品の主な仕様
- アーム/ブレード
- ダブル
- アーム長[mm]
- 270
- Z軸ストローク[mm]
- 190/420/550
- 最大搬送位置 [mm]※1
- 962
- 旋回範囲 [deg]
- 420
- 搬送精度[mm]
- ±0.1
- クリーン度 ISO-CLASS
- 1
- 旋回半径[deg]※2
- R320
- エンコーダ仕様
- アブソリュート
※1:300mmウエハの場合
※2:リスト部及びフィンガ長さによって異なります。
製品の外形図(標準仕様)
資料請求や製品に関するお問い合せは
こちら

