PRODUCTS製品情報
ウエハ搬送システム:真空用搬送ロボット
RR481L200

概要
R481ブーメランアーム真空ロボット(ダブル・アーム)は、駆動部にDDM(ダイレクトドライブモータ)を採用したことによって、高い位置再現性と信頼性の高い真空隔壁性能を実現しています。また、スチールベルトで駆動されるアーム機構により、小さな旋回エリアでありながらも長いエンドエフェクタの採用を実現しています。
- 小さな旋回エリア
- 長いフィンガに対応、ロングリーチ
- 狭いゲート開口サイズに対応(15mm)
- 高精度
- 超高真空対応
- ハイスループット
- AWCオプション対応(ウエハ位置補正)
製品の主な仕様
- 被搬送物
- ~300mmウエハ
- 搬送質量
- 3.0kg/10Nm ※リスト取り付け部(EE含む)
- ワーク中心搬送距離
- 715mm (300mmウエハの場合)
- Z軸ストローク
- 70mm/140mm
- 旋回範囲
- 無限回転
- 旋回直径
- 530mm
- 搬送精度 (X,Y)
- ±0.1mm
- 質量
- 100kg
- 耐真空度
- 10E-6 Pa
- Heリークレート
- 5x10E-9 Pa.m3/sec He (Base vacuum 5x10E-4 Pa)
- 使用温度
- 80℃以下
- 真空内使用材料
- Alminum、Stainless Steel、AM350(Bellows)、Niメッキ仕様マグネット、フッ素系Oリング
- モータ仕様
- 真空用ダイレクトドライブモータ (Z軸:サーボモータ)
- エンコーダ仕様
- ABS
- ユーティリティー
- DC48V(モータ駆動)、DC24V(通信)
- 通信仕様
- TCP/IP
- オプション
- ティーチングペンダント、電源ユニット(AC200V Input)
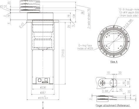
製品の外形図(標準仕様)
資料請求や製品に関するお問い合せは
こちら


